Aktywne zestawy (testowane) z mojego zbioru
Moderator: poco
Aktywne zestawy (testowane) z mojego zbioru
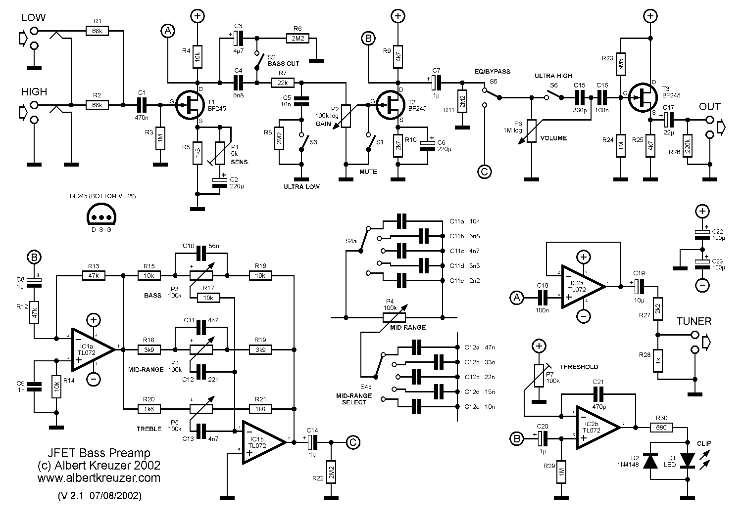
Kilka przetestowanych przez mnie aktywów do gitary basowej , od najprostszego do najbardziej skomplikownego
Ostatnio zmieniony 2012-08-22, 10:27 przez glad123, łącznie zmieniany 2 razy.
-
Zenek_Spawacz
Bo nie może byc dynamiczne ,ograniczone jest to samym zasilaniem układu , no chyba żeby jako aktywnę zrobic na lampach wtedy było by ok , ale to nie mozlwe ze wzg na gabaryty . Ja tez nie jestem zwolennikiem aktywnych w basie czy gdziekolwiek .
Jak to brzmi ? To nie brzmi tylko koryguje to co brzmi ,osobiscie polecałbym to najprostsze rozwiazanie ,ale jak komus potrzeba bardziej inwazyjnej regulacji barwy to można skorzystac z dwóch pozostałych , do Slapa w sam raz .
Pierwszy układ to normalny regulator barwy tonu ze stopniem wzmacniajacym i ten polecam na poczatek .
Jak to brzmi ? To nie brzmi tylko koryguje to co brzmi ,osobiscie polecałbym to najprostsze rozwiazanie ,ale jak komus potrzeba bardziej inwazyjnej regulacji barwy to można skorzystac z dwóch pozostałych , do Slapa w sam raz .
Pierwszy układ to normalny regulator barwy tonu ze stopniem wzmacniajacym i ten polecam na poczatek .
Ostatnio zmieniony 2012-08-22, 10:27 przez glad123, łącznie zmieniany 2 razy.
Texas customs robi takie układy aktywne i pasywne oparte na lampach , ale to trochę Voodoo , o cenie nie wspomnę http://www.texascustoms.us/id19.htmlglad123 pisze:Bo nie może byc dynamiczne ,ograniczone jest to samym zasilaniem układu , no chyba żeby jako aktywnę zrobic na lampach wtedy było by ok , ale to nie mozlwe ze wzg na gabaryty .

Dalej dynamika jest uwalana przez samo zasilanie baterii 9v !!!!!!!
układ lampowy ma zasilanie 350-400 volt i to własnie od tych wartołci zależy całe jajo .
Texas produkuje aktywna lampowa żarówkowę elektronikę dla oszołomów (lampa lampa !!! Gdzie ??? w gitarze !!!) o kurde to musi brzmieę bo lampa .
układ lampowy ma zasilanie 350-400 volt i to własnie od tych wartołci zależy całe jajo .
Texas produkuje aktywna lampowa żarówkowę elektronikę dla oszołomów (lampa lampa !!! Gdzie ??? w gitarze !!!) o kurde to musi brzmieę bo lampa .
Ostatnio zmieniony 2012-08-22, 10:28 przez glad123, łącznie zmieniany 2 razy.