Aktywne zestawy (testowane) z mojego zbioru

Dyskusje na temat budowy gitar basowych.

Moderator: poco

glad123
Posty: 54
Rejestracja: 2012-07-27, 14:14
Lokalizacja: F.H.U.P BEMOL

Aktywne zestawy (testowane) z mojego zbioru

Nieprzeczytany post autor: glad123 »

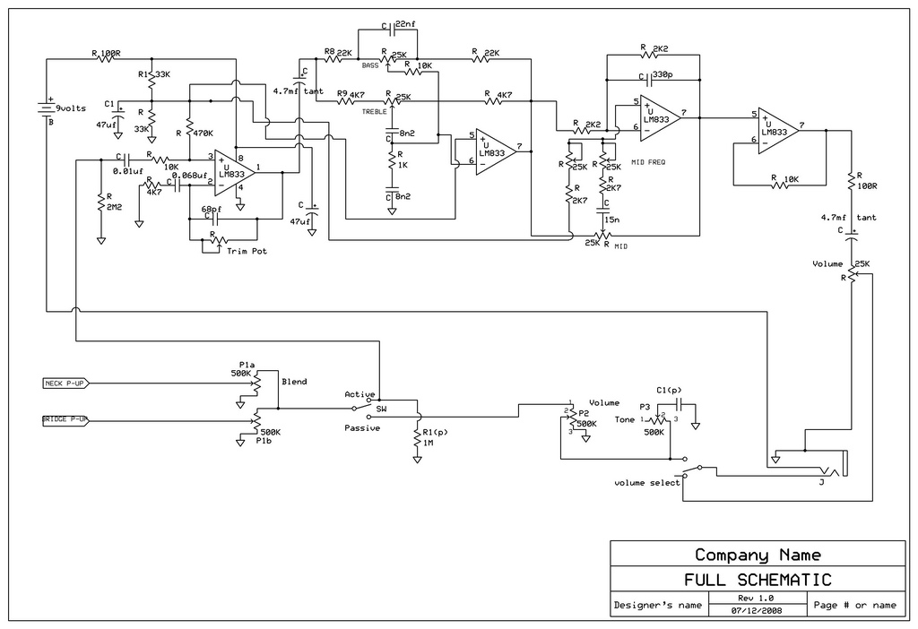
Kilka przetestowanych przez mnie aktywów do gitary basowej , od najprostszego do najbardziej skomplikownego
Załączniki
ACTIVE_BASS&TREBLE_CONTROLLE.GIF
ACTIVE_BASS&TREBLE_CONTROLLE.GIF (6.96 KiB) Przejrzano 7529 razy
aktywna bass.jpg
3
3
Ostatnio zmieniony 2012-08-22, 10:27 przez glad123, łącznie zmieniany 2 razy.
Zenek_Spawacz

Nieprzeczytany post autor: Zenek_Spawacz »

I jak to brzmi ? Z moich doswiadczen elektronika aktywna zwieksza bardzo mozliwosci regulacji (podbicie pasma) ale jakos zmniejsza dynamike. Brzmienie nie jest takie zywe jak w pasywach...
glad123
Posty: 54
Rejestracja: 2012-07-27, 14:14
Lokalizacja: F.H.U.P BEMOL

Nieprzeczytany post autor: glad123 »

Bo nie może byc dynamiczne ,ograniczone jest to samym zasilaniem układu , no chyba żeby jako aktywnę zrobic na lampach wtedy było by ok , ale to nie mozlwe ze wzg na gabaryty . Ja tez nie jestem zwolennikiem aktywnych w basie czy gdziekolwiek .

Jak to brzmi ? To nie brzmi tylko koryguje to co brzmi ,osobiscie polecałbym to najprostsze rozwiazanie ,ale jak komus potrzeba bardziej inwazyjnej regulacji barwy to można skorzystac z dwóch pozostałych , do Slapa w sam raz .

Pierwszy układ to normalny regulator barwy tonu ze stopniem wzmacniajacym i ten polecam na poczatek .
Ostatnio zmieniony 2012-08-22, 10:27 przez glad123, łącznie zmieniany 2 razy.
Awatar użytkownika
Andrzej
Posty: 524
Rejestracja: 2011-01-02, 21:00
Lokalizacja: Koszalin

Nieprzeczytany post autor: Andrzej »

glad123 pisze:Bo nie może byc dynamiczne ,ograniczone jest to samym zasilaniem układu , no chyba żeby jako aktywnę zrobic na lampach wtedy było by ok , ale to nie mozlwe ze wzg na gabaryty .
Texas customs robi takie układy aktywne i pasywne oparte na lampach , ale to trochę Voodoo , o cenie nie wspomnę http://www.texascustoms.us/id19.html

Obrazek
glad123
Posty: 54
Rejestracja: 2012-07-27, 14:14
Lokalizacja: F.H.U.P BEMOL

Nieprzeczytany post autor: glad123 »

Dalej dynamika jest uwalana przez samo zasilanie baterii 9v !!!!!!!

układ lampowy ma zasilanie 350-400 volt i to własnie od tych wartołci zależy całe jajo .

Texas produkuje aktywna lampowa żarówkowę elektronikę dla oszołomów (lampa lampa !!! Gdzie ??? w gitarze !!!) o kurde to musi brzmieę bo lampa .
Ostatnio zmieniony 2012-08-22, 10:28 przez glad123, łącznie zmieniany 2 razy.
szlifek
Posty: 436
Rejestracja: 2009-12-24, 12:58
Lokalizacja: krakĂłw

Nieprzeczytany post autor: szlifek »

witam
no nie wiem - słyszał Kol. o nuwistorach ?
bardzo dobra lampa do takich zastosował .
kupowałem takie swojego czasu od Kol. z Ukrainy .
tak że - spokojnie.
pozdrawiam.
pamiątaj o cyklinie !
jazzgott
Posty: 82
Rejestracja: 2009-06-28, 09:53

Nieprzeczytany post autor: jazzgott »

Jakił schemat na nuwistorach? To ciekawe lampki są.Na 3 schemacie kiedyś pracowałem ale miał za duże szumy. Te scalaki nie są zbyt dobre. A jak po testach Kolegi.
ODPOWIEDZ